Actuador Lineal Welact 7L1
Geral
Control
Para los Actuadores Welact L1 Toma Lateral tenemos disponibles dos tipos de controles de acuerdo a la necesidad del cliente.
SCAS-W1-12/24: Cuando el control y la potencia son manejadas en la misma caja.
SCACD-W1-12/24 Utilizados cuando la distancia desde al control al Actuador son considerables.
SCACR-W1-12/24 Sistema de Control con Control Remoto inalámbrico.
Además nuestros equipos necesitan mínima instalación mecánica y eléctrica eliminando la necesidad de periódicos mantenimientos.
Control
Para los Actuadores Welact L1 Toma Lateral tenemos disponibles dos tipos de controles de acuerdo a la necesidad del cliente.
SCAS-W1-12/24: Cuando el control y la potencia son manejadas en la misma caja.
SCACD-W1-12/24 Utilizados cuando la distancia desde al control al Actuador son considerables.
SCACR-W1-12/24 Sistema de Control con Control Remoto inalámbrico.
Además nuestros equipos necesitan mínima instalación mecánica y eléctrica eliminando la necesidad de periódicos mantenimientos.
Recursos
Características:
1) Límites de carrera internos que permiten que el equipo se detenga en ambos extremos y con el simple cambio de polaridad se cambia el sentido de funcionamiento.
2) Tipo de montaje: En forma de U con la colocación de un perno.
3) La máxima fuerza disponible es de 75 kg. Con una extensión de 152,4 mm.
4) Estructura exterior en aluminio, sellado para permitir el trabajo al intemperie y en ambientes con polvillo.
5) Cargas Estatica Y Carga Dinamicas :
Dinámica
En la Fuerza especifica en el código del Actuador, tanto para tirar como también para empujar. Estas cargas se entienden que es la Fuerza ejercida en el movimiento
Estática
Es la Fuerza que puede soportar el Actuador tanto en la comprensión como en la tracción, pero cuando el mismo este detenido, la carga estática es el esfuerzo generado por el medio exterior del Actuador
Ejemplo de Carga dinámica
Levantar la tapa de una tolva de granos
Ejemplo de Carga Estática
Soportar el viento sobre la tapa de la tolva de granos, mientras el Actuador está detenido.
Características:
1) Límites de carrera internos que permiten que el equipo se detenga en ambos extremos y con el simple cambio de polaridad se cambia el sentido de funcionamiento.
2) Tipo de montaje: En forma de U con la colocación de un perno.
3) La máxima fuerza disponible es de 75 kg. Con una extensión de 152,4 mm.
4) Estructura exterior en aluminio, sellado para permitir el trabajo al intemperie y en ambientes con polvillo.
5) Cargas Estatica Y Carga Dinamicas :
Dinámica
En la Fuerza especifica en el código del Actuador, tanto para tirar como también para empujar. Estas cargas se entienden que es la Fuerza ejercida en el movimiento
Estática
Es la Fuerza que puede soportar el Actuador tanto en la comprensión como en la tracción, pero cuando el mismo este detenido, la carga estática es el esfuerzo generado por el medio exterior del Actuador
Ejemplo de Carga dinámica
Levantar la tapa de una tolva de granos
Ejemplo de Carga Estática
Soportar el viento sobre la tapa de la tolva de granos, mientras el Actuador está detenido.
Aplicaciones Típicas:
1) Movimientos en pequeñas recorridos .
2) Hornos industriales .
3) Mesas Vibradoras .
4) Ajuste de Antenas Parabólicas.
Aplicaciones Típicas:
1) Movimientos en pequeñas recorridos .
2) Hornos industriales .
3) Mesas Vibradoras .
4) Ajuste de Antenas Parabólicas.
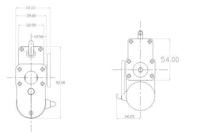
Especificaciones Generales:
Entrada: 12 y 24 vcc.
Largo de trabajo: 25.4--50.8-101.6-152.4mm
Capacidades de Carga: 12-25-50 y 75 kg. Tanto como para la compresión como para la tracción.
Porcentaje del tiempo de trabajo: 25% a l.a máxima carga. Excepto 75kg tienen 15% a la max carga.
Protección en el Motor: Con protección en el motor.
Límites de carrera: Sí fijos en los extremos, ajustables externos opcional.
Rosca: Acme.
Rangos de temperatura: -26 a 95 ªC.
Carcaza Exterior: Aluminio, con protección Epoxi
Protección contra el medio ambiente: IRAM 2444/82. IP 66
Ensayo realizado: Protección a las 96 hs de niebla salina.
Sección y Diámetro de Cables: 1 mm2 y Ø 1,1 mm
Conectores: Opcionales. (ver sección a tal fin)
Montaje: En forma de U o similar.
Torque de arranque/parada: 23 kg.cm.
Carga Estática: 100 kg.
Vida Util Larga Vida: 145.000 ciclos
Medida de la Caja de Embalaje: Largo: 295mm; Ancho: 105mm; Alto: 60mm
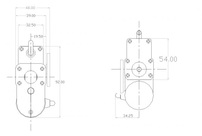
Especificaciones Generales:
Entrada: 12 y 24 vcc.
Largo de trabajo: 25.4--50.8-101.6-152.4mm
Capacidades de Carga: 12-25-50 y 75 kg. Tanto como para la compresión como para la tracción.
Porcentaje del tiempo de trabajo: 25% a l.a máxima carga. Excepto 75kg tienen 15% a la max carga.
Protección en el Motor: Con protección en el motor.
Límites de carrera: Sí fijos en los extremos, ajustables externos opcional.
Rosca: Acme.
Rangos de temperatura: -26 a 95 ªC.
Carcaza Exterior: Aluminio, con protección Epoxi
Protección contra el medio ambiente: IRAM 2444/82. IP 66
Ensayo realizado: Protección a las 96 hs de niebla salina.
Sección y Diámetro de Cables: 1 mm2 y Ø 1,1 mm
Conectores: Opcionales. (ver sección a tal fin)
Montaje: En forma de U o similar.
Torque de arranque/parada: 23 kg.cm.
Carga Estática: 100 kg.
Vida Util Larga Vida: 145.000 ciclos
Medida de la Caja de Embalaje: Largo: 295mm; Ancho: 105mm; Alto: 60mm
